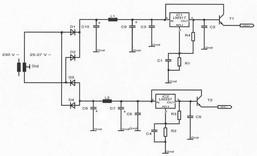
Endstufennetzteil 1 (Bis mittlere Leistung ~ 80 Watt)
- Ausgangsspannungen bis etwa +/- 28 V erreichbar.
- Ausgangsstrom bis etwa 15 A Impuls (ja nach Transistor).

zurück zu den Bauvorschlägen
HIFI-Club
>> Die HIGH FIDELIKER <<

Bestückung für +/- 28 V / Ausgangsstrom bis 10A Impuls :

Trafo : 2 * 25 V / 300 Watt / (Talema)
D1,D2,D3,D4 : RURD-620 (6A-Ultraschnell / TO-251)
oder Brückengleichrichter
IC-1 : LM-317 (kleine Kühlkörper)
IC-2 : LM-337 (kleine Kühlkörper)
C9,C7 : 70.000 uF/40V(Elko/ALPS)
C8,C10 : 6800 uF/40V(Elko)
L1,L2 : 2,2 mH(Luftspule 1-2mm)
C3,C2,C1,C4,C5,C6 : 10 uF/35V(Elko)
R3,R4 : 180 Ohm (für 28,3 V, siehe Kasten)
R1,R2 : 3,9 KOhm (für 28,3 V, siehe Kasten)
T1 : BD 743C (an Kühlkörper)
T2 : BD 744C (an Kühlkörper)

Berechnung der Widerstände :

Es muß im Leerlauf mindestens ein Strom von 3,5 mA durch R1,R4 und R3,R2 fließen!. (Ausgang durch R1,R4 gegen Masse)
Die Ausgangsspannung berechnet sich dann nach folgender Formel :

Ua = Uref * (1 + R1/R4)

für Uref : 1,25 V eintragen!

Die Schaltung kann natürlich auch für Vorstufen, Filter oder ähnliches benutzt werden. Die Leistungsfähigkeit muss dann nicht so hoch sein. Es genügt ein kleinerer Ausgangstransistor (z.B. : BD 139) oder lässt ihn völlig weg. Der Gleichrichter kann natürlich ebenfalls kleiner dimensioniert werden. Empfehlenswert sind hier Ultrafast-Dioden (UF-4001/4002). Der Trafo sollte nicht zu klein werden, da sonst der Störpegel zu hoch wird. Für die Glättung reicht ein Kondensator mit 10000 oder 22000 uF.